INCH-POUND MS17185A
27 December 2006
SUPERSEDING MS17185 (WEP)
20 September 1960
DETAIL SPECIFICATION SHEET
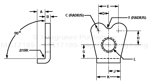
CLAMP (SYNCHRO)
Inactive for new design after 30 March 1999, may be used for replacement purposes.
This specification is approved for use by all
Departments and Agencies of the Department of Defense.
The requirements for acquiring the product described herein shall consist of this specification sheet.

FIGURE 1. Clamp.
AMSC N/A FSC 5990
For Parts Inquires call Parts Hangar, Inc (727) 493-0744
© Copyright 2015 Integrated Publishing, Inc.
A Service Disabled Veteran Owned Small Business