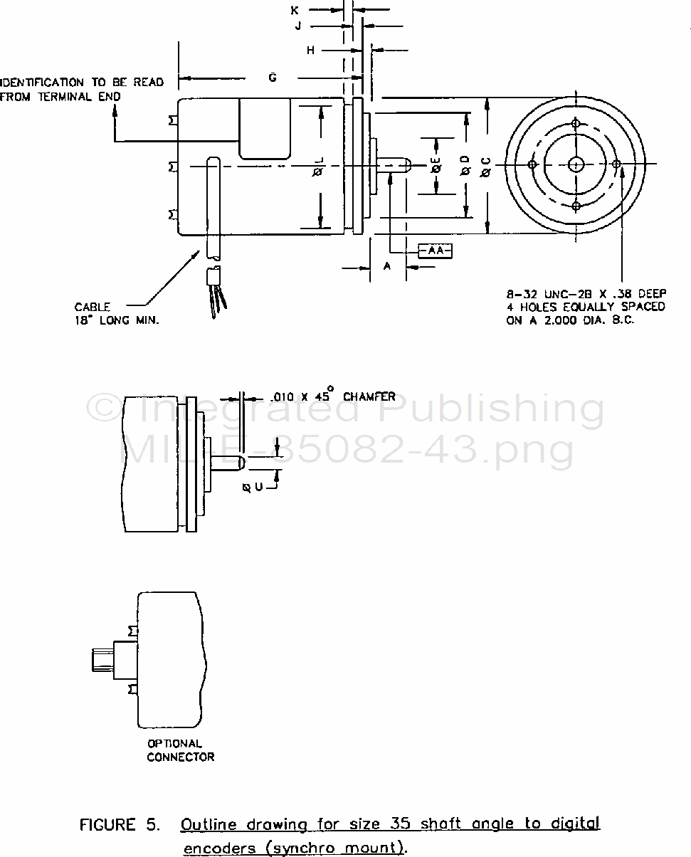
MIL-E-85082 Encoders, Shaft Angle To Digital, General Specification ForThis specification covers the requirements for all types of analog shaft angle input to digital output encoders. It is not complete in itself, but should be used in conjunction with MIL-S-81963 which will form an integral part of this specification.