
MIL-DTL-81963C
A
B
C
D
E
F
G
H
N
-
+.002
+.0004
+.005
+.001
-
+.005
-
-
-.002
-.0000
-.000
-.000
-.000
Size
Inches
Inches
Inches
Inches
Inches
Inches
Inches
Inches
Inches
(mm)
(mm)
(mm)
(mm)
(mm)
(mm)
(mm)
(mm)
(mm)
05, 08
1.50
1.20
.5625
.1250
.250
.8125
.300
.375
.687
(38.1)
(30.48)
(14.29)
(3.18)
(6.35)
(20.64)
(7.62)
(9.53)
(17.45)
11, 15
1.50
1.20
.5625
.1875
.250
.8125
.300
.375
.687
(38.1)
(30.48)
(14.29)
(4.76)
(6.35)
(20.64)
(7.62)
(9.53)
(17.45)
18
2.00
1.20
.5625
.1875
.250
.8125
.300
.375
.687
(50.8)
(30.48)
(14.29)
(4.76)
(6.35)
(20.64)
(7.62)
(9.53)
(17.45)
23
2.67
2.00
.625
.2410
.3125
.875
.350
.437
.750
(67.82)
(50.8)
(15.88)
(6.12)
(7.94)
(22.23)
(88.9)
(11.10)
(19.05)
31, 37
3.50
2.00
.625
.2410
.3125
.875
.350
.437
.750
(88.9)
(50.8)
(15.88)
(6.12)
(7.94)
(22.23)
(88.9)
(11.10)
(19.05)
NOTES:
1.
Dimensions are in inches. Metric equivalents are given for general information only.
2.
Unless otherwise specified, tolerances shall be:
2 place decimals ± .02
3 place decimals + .010 -.000
3.
Three (3) threaded holes equally spaced on a diameter appropriate for the mounting hardware used.
FIGURE 7. Dials for mechanical breakaway torque, synchronizing time, and spinning tests - Continued.
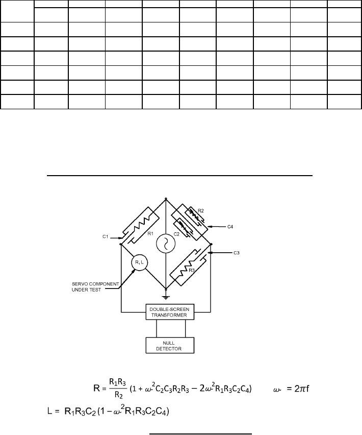
FIGURE 8. Wein-modified Maxwell bridge.
35
For Parts Inquires call Parts Hangar, Inc (727) 493-0744
© Copyright 2015 Integrated Publishing, Inc.
A Service Disabled Veteran Owned Small Business